网站首页
公司介绍
资质荣誉
公司简介
案例展示
检测项目
水利工程检测
钢结构检测
主体结构检测
建筑节能检测
室内环境检测
地基基础检测
设备安装检测
见证取样检测
员工风采
新闻中心
行业动态
相关法规
公司新闻
服务指南
质量体系
联系我们
一键拨号
发送短信
联系我们
网站首页
公司介绍
资质荣誉
公司简介
案例展示
检测项目
水利工程检测
钢结构检测
主体结构检测
建筑节能检测
室内环境检测
地基基础检测
设备安装检测
见证取样检测
员工风采
新闻中心
行业动态
相关法规
公司新闻
服务指南
质量体系
联系我们
行业动态
首页
>>
新闻中心
>>
行业动态
>>
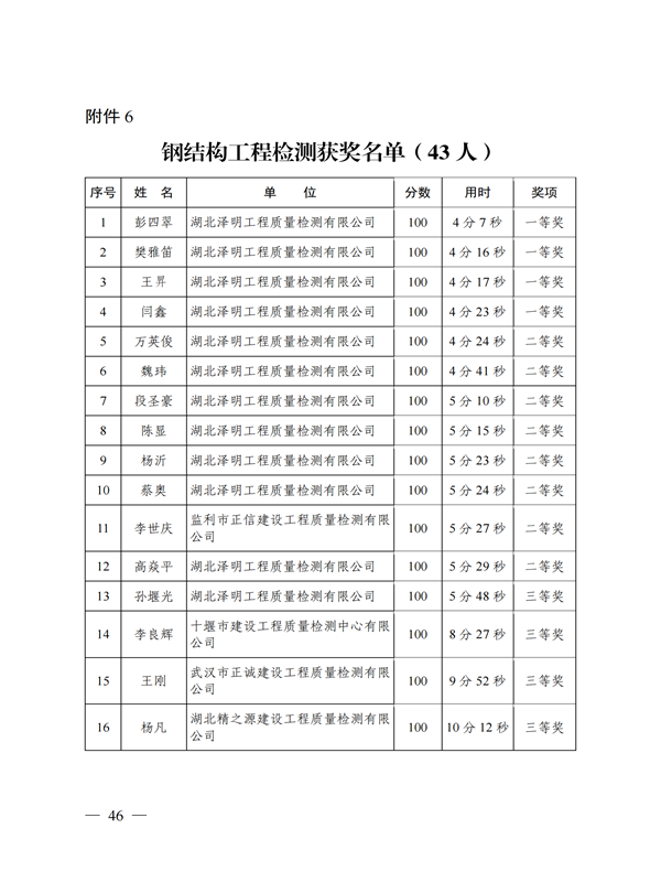
鄂建质安协〔2022〕3号:公布知识竞赛结果的通知
阅读次数:2000 发布时间:2022年01月10日
本文分类:
行业动态
本文标签:无
浏览次数:
2000
次浏览
发布日期:2022-01-10 19:27:53
本文链接:
http://hbdjgc.com/hangyedongtai/276.html
上一篇 >
关于2021年湖北省建设工程质量检测知识竞赛结果的公示
下一篇 >
关于简化建设工程质量检测机构资质证书检测项目参数内容的通知
基本
文件
流程
错误
SQL
调试
请求信息 : 2026-05-31 10:30:11 HTTP/1.1 GET : hbdjgc.com/hangyedongtai/276.html
运行时间 : 0.050818s [ 吞吐率:19.68req/s ] 内存消耗:4,791.09kb 文件加载:98
查询信息 : 13 queries 1 writes
缓存信息 : 26 reads,1 writes
配置加载 : 75
/www/wwwroot/hbdjgc.com/public/index.php ( 0.88 KB )
/www/wwwroot/hbdjgc.com/thinkphp/start.php ( 0.72 KB )
/www/wwwroot/hbdjgc.com/thinkphp/base.php ( 2.60 KB )
/www/wwwroot/hbdjgc.com/thinkphp/library/think/Loader.php ( 21.07 KB )
/www/wwwroot/hbdjgc.com/vendor/composer/autoload_static.php ( 10.27 KB )
/www/wwwroot/hbdjgc.com/vendor/symfony/deprecation-contracts/function.php ( 0.98 KB )
/www/wwwroot/hbdjgc.com/vendor/symfony/polyfill-php80/bootstrap.php ( 1.50 KB )
/www/wwwroot/hbdjgc.com/vendor/symfony/polyfill-mbstring/bootstrap.php ( 7.07 KB )
/www/wwwroot/hbdjgc.com/vendor/ralouphie/getallheaders/src/getallheaders.php ( 1.60 KB )
/www/wwwroot/hbdjgc.com/vendor/guzzlehttp/promises/src/functions_include.php ( 0.16 KB )
/www/wwwroot/hbdjgc.com/vendor/guzzlehttp/promises/src/functions.php ( 9.89 KB )
/www/wwwroot/hbdjgc.com/vendor/guzzlehttp/guzzle/src/functions_include.php ( 0.16 KB )
/www/wwwroot/hbdjgc.com/vendor/guzzlehttp/guzzle/src/functions.php ( 5.56 KB )
/www/wwwroot/hbdjgc.com/vendor/symfony/polyfill-php73/bootstrap.php ( 0.99 KB )
/www/wwwroot/hbdjgc.com/vendor/ezyang/htmlpurifier/library/HTMLPurifier.composer.php ( 0.10 KB )
/www/wwwroot/hbdjgc.com/vendor/topthink/think-helper/src/helper.php ( 2.88 KB )
/www/wwwroot/hbdjgc.com/vendor/karsonzhang/fastadmin-addons/src/common.php ( 15.07 KB )
/www/wwwroot/hbdjgc.com/thinkphp/library/think/Route.php ( 60.23 KB )
/www/wwwroot/hbdjgc.com/thinkphp/library/think/Config.php ( 6.38 KB )
/www/wwwroot/hbdjgc.com/thinkphp/library/think/Hook.php ( 4.71 KB )
/www/wwwroot/hbdjgc.com/vendor/overtrue/wechat/src/Kernel/Support/Helpers.php ( 2.54 KB )
/www/wwwroot/hbdjgc.com/vendor/overtrue/wechat/src/Kernel/Helpers.php ( 1.89 KB )
/www/wwwroot/hbdjgc.com/vendor/topthink/think-captcha/src/helper.php ( 1.59 KB )
/www/wwwroot/hbdjgc.com/thinkphp/library/think/Validate.php ( 41.63 KB )
/www/wwwroot/hbdjgc.com/vendor/topthink/think-queue/src/common.php ( 1.19 KB )
/www/wwwroot/hbdjgc.com/thinkphp/library/think/Console.php ( 23.13 KB )
/www/wwwroot/hbdjgc.com/thinkphp/library/think/Error.php ( 3.75 KB )
/www/wwwroot/hbdjgc.com/thinkphp/convention.php ( 10.37 KB )
/www/wwwroot/hbdjgc.com/thinkphp/library/think/App.php ( 21.58 KB )
/www/wwwroot/hbdjgc.com/thinkphp/library/think/Request.php ( 49.78 KB )
/www/wwwroot/hbdjgc.com/application/config.php ( 11.83 KB )
/www/wwwroot/hbdjgc.com/thinkphp/library/think/Env.php ( 1.21 KB )
/www/wwwroot/hbdjgc.com/application/database.php ( 2.19 KB )
/www/wwwroot/hbdjgc.com/application/extra/addons.php ( 1.05 KB )
/www/wwwroot/hbdjgc.com/application/extra/site.php ( 1.18 KB )
/www/wwwroot/hbdjgc.com/application/extra/upload.php ( 0.84 KB )
/www/wwwroot/hbdjgc.com/application/tags.php ( 1.23 KB )
/www/wwwroot/hbdjgc.com/application/common.php ( 16.45 KB )
/www/wwwroot/hbdjgc.com/thinkphp/helper.php ( 17.30 KB )
/www/wwwroot/hbdjgc.com/thinkphp/library/think/Debug.php ( 7.13 KB )
/www/wwwroot/hbdjgc.com/thinkphp/library/think/Log.php ( 6.05 KB )
/www/wwwroot/hbdjgc.com/addons/cms/Cms.php ( 6.19 KB )
/www/wwwroot/hbdjgc.com/vendor/karsonzhang/fastadmin-addons/src/Addons.php ( 7.05 KB )
/www/wwwroot/hbdjgc.com/addons/nkeditor/Nkeditor.php ( 1.13 KB )
/www/wwwroot/hbdjgc.com/thinkphp/library/think/Cache.php ( 6.10 KB )
/www/wwwroot/hbdjgc.com/thinkphp/library/think/cache/driver/File.php ( 7.27 KB )
/www/wwwroot/hbdjgc.com/thinkphp/library/think/cache/Driver.php ( 5.98 KB )
/www/wwwroot/hbdjgc.com/thinkphp/library/think/View.php ( 6.77 KB )
/www/wwwroot/hbdjgc.com/thinkphp/library/think/view/driver/Think.php ( 5.64 KB )
/www/wwwroot/hbdjgc.com/thinkphp/library/think/Template.php ( 44.90 KB )
/www/wwwroot/hbdjgc.com/thinkphp/library/think/template/driver/File.php ( 2.24 KB )
/www/wwwroot/hbdjgc.com/addons/cms/config.php ( 28.94 KB )
/www/wwwroot/hbdjgc.com/application/common/behavior/Common.php ( 3.02 KB )
/www/wwwroot/hbdjgc.com/thinkphp/library/think/Lang.php ( 7.42 KB )
/www/wwwroot/hbdjgc.com/thinkphp/lang/zh-cn.php ( 11.81 KB )
/www/wwwroot/hbdjgc.com/application/route.php ( 0.90 KB )
/www/wwwroot/hbdjgc.com/vendor/karsonzhang/fastadmin-addons/src/addons/Route.php ( 2.76 KB )
/www/wwwroot/hbdjgc.com/application/common/lang/zh-cn/addon.php ( 6.09 KB )
/www/wwwroot/hbdjgc.com/extend/fast/Form.php ( 39.71 KB )
/www/wwwroot/hbdjgc.com/thinkphp/library/think/config/driver/Ini.php ( 0.83 KB )
/www/wwwroot/hbdjgc.com/thinkphp/library/think/Url.php ( 12.72 KB )
/www/wwwroot/hbdjgc.com/addons/cms/controller/Archives.php ( 5.48 KB )
/www/wwwroot/hbdjgc.com/addons/cms/controller/Base.php ( 2.33 KB )
/www/wwwroot/hbdjgc.com/vendor/karsonzhang/fastadmin-addons/src/addons/Controller.php ( 6.49 KB )
/www/wwwroot/hbdjgc.com/thinkphp/library/think/Controller.php ( 6.07 KB )
/www/wwwroot/hbdjgc.com/thinkphp/library/traits/controller/Jump.php ( 4.90 KB )
/www/wwwroot/hbdjgc.com/addons/cms/lang/zh-cn.php ( 5.52 KB )
/www/wwwroot/hbdjgc.com/application/common/library/Auth.php ( 15.22 KB )
/www/wwwroot/hbdjgc.com/thinkphp/library/think/Cookie.php ( 7.54 KB )
/www/wwwroot/hbdjgc.com/application/common/model/Config.php ( 6.79 KB )
/www/wwwroot/hbdjgc.com/thinkphp/library/think/Model.php ( 69.14 KB )
/www/wwwroot/hbdjgc.com/addons/cms/model/Archives.php ( 21.90 KB )
/www/wwwroot/hbdjgc.com/thinkphp/library/traits/model/SoftDelete.php ( 4.86 KB )
/www/wwwroot/hbdjgc.com/thinkphp/library/think/Db.php ( 6.67 KB )
/www/wwwroot/hbdjgc.com/thinkphp/library/think/db/connector/Mysql.php ( 3.89 KB )
/www/wwwroot/hbdjgc.com/thinkphp/library/think/db/Connection.php ( 29.97 KB )
/www/wwwroot/hbdjgc.com/thinkphp/library/think/db/Query.php ( 93.77 KB )
/www/wwwroot/hbdjgc.com/thinkphp/library/think/db/builder/Mysql.php ( 4.53 KB )
/www/wwwroot/hbdjgc.com/thinkphp/library/think/db/Builder.php ( 31.81 KB )
/www/wwwroot/hbdjgc.com/thinkphp/library/think/model/relation/BelongsTo.php ( 7.75 KB )
/www/wwwroot/hbdjgc.com/thinkphp/library/think/model/relation/OneToOne.php ( 10.03 KB )
/www/wwwroot/hbdjgc.com/thinkphp/library/think/model/Relation.php ( 3.61 KB )
/www/wwwroot/hbdjgc.com/addons/cms/model/Channel.php ( 18.61 KB )
/www/wwwroot/hbdjgc.com/addons/cms/model/Modelx.php ( 2.08 KB )
/www/wwwroot/hbdjgc.com/addons/cms/library/Service.php ( 26.00 KB )
/www/wwwroot/hbdjgc.com/addons/cms/model/Fields.php ( 2.52 KB )
/www/wwwroot/hbdjgc.com/addons/cms/model/SpiderLog.php ( 1.75 KB )
/www/wwwroot/hbdjgc.com/addons/cms/model/Tag.php ( 5.62 KB )
/www/wwwroot/hbdjgc.com/addons/cms/model/Autolink.php ( 0.57 KB )
/www/wwwroot/hbdjgc.com/application/common/model/User.php ( 3.95 KB )
/www/wwwroot/hbdjgc.com/runtime/temp/0f6ff3ff04c2bf42b910c59835058e9e.php ( 11.72 KB )
/www/wwwroot/hbdjgc.com/thinkphp/library/think/db/Expression.php ( 1.11 KB )
/www/wwwroot/hbdjgc.com/addons/cms/model/Block.php ( 6.75 KB )
/www/wwwroot/hbdjgc.com/extend/fast/Tree.php ( 15.60 KB )
/www/wwwroot/hbdjgc.com/thinkphp/library/think/model/Collection.php ( 2.27 KB )
/www/wwwroot/hbdjgc.com/thinkphp/library/think/Collection.php ( 10.91 KB )
/www/wwwroot/hbdjgc.com/thinkphp/library/think/Response.php ( 8.28 KB )
/www/wwwroot/hbdjgc.com/thinkphp/library/think/debug/Html.php ( 4.17 KB )
[ BEHAVIOR ] Run Closure @app_init [ RunTime:0.000014s ]
[ CACHE ] INIT File
[ BEHAVIOR ] Run \addons\cms\Cms @app_init [ RunTime:0.001961s ]
[ BEHAVIOR ] Run Closure @app_init [ RunTime:0.001975s ]
[ BEHAVIOR ] Run app\common\behavior\Common @app_init [ RunTime:0.000393s ]
[ LANG ] /www/wwwroot/hbdjgc.com/thinkphp/lang/zh-cn.php
[ BEHAVIOR ] Run app\common\behavior\Common @app_dispatch [ RunTime:0.000012s ]
[ ROUTE ] array ( 'type' => 'method', 'method' => array ( 0 => '\\think\\addons\\Route', 1 => 'execute', ), 'var' => array ( 'addon' => 'cms', 'controller' => 'archives', 'action' => 'index', ), )
[ HEADER ] array ( 'connection' => 'keep-alive', 'cache-control' => 'max-age=259200', 'x-forwarded-for' => '10.1.157.158', 'via' => '1.1 squid-proxy-5b96dc6d46-tnvxq (squid/6.13)', 'host' => 'hbdjgc.com', 'accept-encoding' => 'gzip, br, zstd, deflate', 'user-agent' => 'Mozilla/5.0 AppleWebKit/537.36 (KHTML, like Gecko; compatible; ClaudeBot/1.0; +claudebot@anthropic.com)', 'accept' => '*/*', 'content-length' => '', 'content-type' => '', )
[ PARAM ] array ( 'catename' => 'hangyedongtai', 'id' => '276', )
[ RUN ] think\addons\Route->execute[ /www/wwwroot/hbdjgc.com/vendor/karsonzhang/fastadmin-addons/src/addons/Route.php ]
[ LANG ] /www/wwwroot/hbdjgc.com/public/../application/common/lang/zh-cn/addon.php
[ BEHAVIOR ] Run app\common\behavior\Common @addon_begin [ RunTime:0.001004s ]
[ LANG ] /www/wwwroot/hbdjgc.com/addons/cms/lang/zh-cn.php
[ DB ] INIT mysql
[ VIEW ] /www/wwwroot/hbdjgc.com/addons/cms/view/xytzg_dj20230226/show_news.html [ array ( 0 => 'config', 1 => 'user', 2 => 'site', 3 => '__CHANNEL__', 4 => 'isWechat', 5 => '__ARCHIVES__', 6 => '__MODEL__', ) ]
[ BEHAVIOR ] Run \addons\cms\Cms @view_filter [ RunTime:0.000051s ]
0.054374s